«Ильинка 3/8» — это сервисные резиденции в 7 эксклюзивных особняках: 3 исторических и 4 современных.
Коллекция клубных особняков «Ильинка 3/8» расположена в уникальной близости к Кремлю, в самом престижном месте столицы.
В непосредственном окружении находятся главные символы страны, знаковые исторические улицы и достопримечательности.
Адрес проекта:г. Москва, улица Ильинка улица, дом 3/8, стр. 3 и 4.В первоначальном виде часть проекта системы отопления была выполнен с использованием другого оборудования. Однако коллегам, благодаря проделанной работе с девелопером проекта, удалось согласовать замену значительной части оборудования.
Отопление:
На объекте запроектирована горизонтальная двухтрубная система отопления с тупиковым движением теплоносителя. На каждом этаже расположены коллекторные распределительные модули OVENTROP (фото 1) с децентрализованной системой гидравлической настройки и учета тепла, от которых теплоноситель поступает отдельно в каждую резиденцию.
В резиденциях в качестве отопительных приборов приняты внутрипольные конвекторы и стальные трубчатые радиаторы ARBONIA с количеством секций от 6 до 39 шт. Благодаря разнообразию моделей и размеров, а также цветовой палитре, трубчатые радиаторы не ограничивают свободу в оформлении интерьера.
В качестве запорной и регулирующей арматуры на отопительных приборах использованы узлы нижнего подключения Multiflex F и термостатические вентили AV9 от OVENTROP.
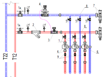
Данное исполнение распределительного узла подразумевает возможность подключения к центральному стояку нескольких резиденций. Узел оснащен центральной системой гидравлической балансировки и децентрализованной системой учёта тепловой энергии. В данном случае гидравлическое регулирование осуществляется на входе в распределительный узел, а учёт тепловой энергии производится для каждого потребителя индивидуально.

Фото 1 Узел этажный распределительный для системы отопления
На входе в распределительный узел установлен шаровой кран, сетчатый фильтр и балансировочный клапан. На выходе – шаровой кран и автоматический регулятор перепада давлений. Коллектор оборудован краном для слива и ручным воздухоотводчиком. Гидравлическая настройка и поддержание рабочих параметров системы осуществляется централизованно на этаж, при помощи балансировочного клапана и автоматического регулятора перепада давления.
Распределительные узлы были разработаны по индивидуальным чертежам на основании проектных данных и принципиальной схемы (рис.1).

Рис. 1 Принципиальная схема этажного распределительный узла
В результате проделанной работы компания Мастер Ватт поставила на объект: