Объект построен за счет кредитов из федерального бюджета в рамках госпрограммы «Модернизация объектов коммунальной инфраструктуры во Владимирской области».
Котельная, мощностью 29МВт, обеспечивает теплом и горячей водой более 4000 человек, 45 многоквартирных домов, а также школу и детский сад.
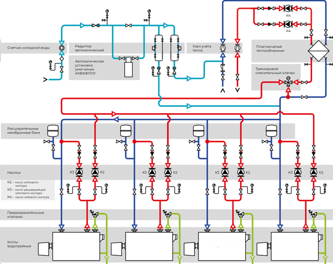
Технологическое решение: Газовая котельная представляет собой блочно-модульное строение, в котором располагаются три водогрейных котла мощностью 8500кВт и один котел мощностью 3500кВт Омского завода инновационных технологий.
Котельная работает на газовом топливе в автоматическом режиме без обслуживающего персонала. Температурный график 105/80°С. Благодаря производству котлов в России значительно снижены сроки поставки. Доставка котлов осуществлялась непосредственно на объект. Для уменьшения шума от работающих газовых горелок предусмотрены откатные шумоглушащие кабины (рис.1)
В качестве гидравлической схемы для котлов «Лаварт» применена стандартная обвязка котлового контура: каждый котел оснащен своим циркуляционным насосом, который обеспечивает номинальный расход теплоносителя через котел, и электромеханическим смесителем для поддержания минимальной температуры на входе в котел.

Рис.1 Котел водогрейный, Lavart с шумоглушащей кабиной
Отопительные и котловой контуры разделены пластинчатыми теплообменниками, которые гидравлически отделяют тепловую сеть потребителей от котлов. Это обеспечивает защиту котлов от влияния внешних факторов, повышает надежность работы котельной в целом и увеличивает срок службы котлов.
Каждый котел, согласно требованию нормативных документов, оснащен предохранительным клапаном. Для приготовления воды для систем горячего водоснабжения в котельной установлены разборные пластинчатые теплообменники. Для циркуляции теплоносителя и повышения давления воды подобраны насосы Wilo со 100% резервированием (один насос – рабочий, один – резервный). В случае остановки рабочего насоса, переключение на резервный происходит автоматически (Рис. 2).

Рис.2 Насос многоступенчатый вертикального исполнения Wilo-MVL
Для восполнения потерь от утечек в тепловой сети и для первоначального заполнения контуров котельной, в блочно-модульной котельной установлена система водоподготовки. Удаление продуктов сгорания происходит индивидуально от каждого котла по дымовой трубе из нержавеющей стали, выполненной по конструкции «сэндвич-дымохода», обеспечивающей отсутствие конденсата на трубе и защищающей от оседания сажи. Изготовитель двустенного дымохода – Jeremias.
Внутри блочно-модульного здания котельной в холодное время года поддерживается температура +12°С. Для этих целей в котельной установлены пять тепловентиляторов SONNIGER. Для сокращения теплопотерь весь трубопровод теплоизолируется рулонной изоляцией K-FLEX ST, толщиной 10мм.

Рис.3 Принципиальная схема блочно-модульной котельной
В результате совместной работы коллег из отдела комплектации промышленных котельных с проектировщиками и строительно-монтажной организацией компания Мастер Ватт поставила на объект:
• Котел водогрейный, стальной, Lavart (Омск), мощностью 3,5МВт и 8,5МВт – 4шт.;
• Газовая модуляционная горелка Oilon (Финляндия) – 4шт.;
• Насос Wilo серии NLB, BL и MVL – 17шт;
• Насос многоступенчатый вертикального исполнения Wilo-MVL – 5шт;
• Запорная арматура Tecofi и Алсо (Россия);
• Регулирующая арматура Broen (Россия);
• Расширительные баки АДЛ (Россия);
• Пластинчатые теплообменники ЭТРА;
• Дымоход Jeremias диаметром 600 и 1000мм (Россия);
• Тепловентиляторы SONNIGER;
• Система водоочистки с комплексом дозирования АКВАФЛОУ.